Sign In | Join Free | My isp.org.cn
China Shenzhen Hwalon Electronic Co., Ltd. logo
Shenzhen Hwalon Electronic Co., Ltd.
Shenzhen Hwalon Electronic Co., Ltd. PTC/NTC thermistors manufacturer
Verified Supplier

11 Years

Home > Inrush Current Limiter Thermistor >

05D Series MF72 Inrush Current Limiter NTC Thermistor For Energy Saving Light Or Ballast

Shenzhen Hwalon Electronic Co., Ltd.
Trust Seal
Verified Supplier
Credit Check
Supplier Assessment
Contact Now

05D Series MF72 Inrush Current Limiter NTC Thermistor For Energy Saving Light Or Ballast

  • 1
  • 2

Brand Name : Hwalon

Model Number : MF72

Certification : CE, SGS, RoHS

Place of Origin : China

MOQ : 5000 pcs

Price : Negotiable

Payment Terms : Western Union, T/T, Paypal

Supply Ability : 600000 pcs per month

Delivery Time : 7~15 days

Packaging Details : Plastic + carton/ bulk

Size : 5mm 8mm 10mm 13mm 15mm 20mm

Material : Ceramic

Color : Black or Green

Lead style : straight, introvert, k lead

Packing : Bulk, Tanping Ammo, Tanping Reel

Resistance : ±15%, ± 20%

Contact Now

05D Series MF72 Inrush Current Limiter NTC Thermistor for energy saving light or ballast

Features:

1. High inrush current restriction effect.

2. Small power loss in stationary state. (normally 1w or less than 50w power)

3. High thermal and electrical stability.

4. Wide selection of electrical characteristics

5. Special coating material: green or black silicone.

Description:

05D Series MF72 Inrush Current Limiter NTC Thermistor For Energy Saving Light Or Ballast

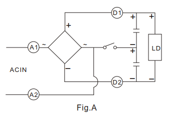
HF Type NTC Thermistor devices are made of a specially formulated metal oxide ceramic material which is capable of suppressing high current surges.

HF Type NTC devices, being of relatively high resistance, shall limit the inrush current for 1~2 seconds during which time the device decreases in resistance substantially to a point where its voltage drop is negligible. The devices are especially useful in power supplies because of the extremely low impedance of the capacitor being charged, of which the bridge is usually subjected to an exceedingly hign current surge at turn-on point.

Application:

05D Series MF72 Inrush Current Limiter NTC Thermistor For Energy Saving Light Or Ballast05D Series MF72 Inrush Current Limiter NTC Thermistor For Energy Saving Light Or Ballast

1. Electronic ballast,display

2. Conversion power supply, switch power

3. Kinds of electric heater, electronic energy-saving lamps,

4. Filament protection of all kinds of RT, bulb and other lighting lamps.

Parameters:

05D Series MF72 Inrush Current Limiter NTC Thermistor For Energy Saving Light Or Ballast

05D Series MF72 Inrush Current Limiter NTC Thermistor For Energy Saving Light Or Ballast

How to Order:

1. Resistance and its tolerance

2. Diameter

3. Lead type

FAQ:

Question Answers
What is the MOQ? 1000pcs.
What is the payment terms? Negotiation.
Can you accept special requirement? Yes,we can.We can design for your special requirement.
Can you make the printing artworks(such as user manual/packing/rating label) in our language

Yes,we can.We do OEM work for long time

Can we order samples: Yes ,you can . Free samples are available

Our Advantages:

1. We offer excellent quatity, the best service, favourable price and prompt delivery for our every customer.
2. We have after-sales services to help our customers during using the products.
3. We can customize the product according to relative requirements of our customers.
4. Both OED and ODM are welcomed.
5. Your related to inquiry about our product will be replied in 12 hours.
6. Shipping by us( DHL, NTN, FedEx, EMS, UPS and by Sea), or by your agent.
7. Payment by T/T, Western Union and Paypal.
8. Delivery within 3-5 days to sample order, 7-10days to bulk order.

05D Series MF72 Inrush Current Limiter NTC Thermistor For Energy Saving Light Or Ballast


Product Tags:

MF72 Inrush Current Limiter Thermistor

      

Inrush Current Limiter NTC Thermistor

      
Cheap 05D Series MF72 Inrush Current Limiter NTC Thermistor For Energy Saving Light Or Ballast wholesale

05D Series MF72 Inrush Current Limiter NTC Thermistor For Energy Saving Light Or Ballast Images

Inquiry Cart 0
Send your message to this supplier
 
*From:
*To: Shenzhen Hwalon Electronic Co., Ltd.
*Subject:
*Message:
Characters Remaining: (0/3000)